icono-menu
icon-accountMi cuenta

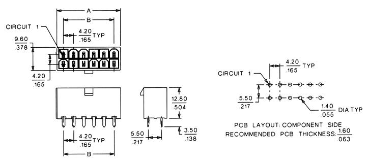
Conector Minifit macho-recto, 2×12 vías, paso=4.20mm

Nº vias: 2×12 vías
Género: Macho

Conector Minifit macho-recto, 2×12 vías, paso=4.20mm.

Este artículo puede provenir de diversos fabricantes.

Biltron-Logo-Black
Resumen de privacidad

Esta web utiliza cookies para que podamos ofrecerte la mejor experiencia de usuario posible. La información de las cookies se almacena en tu navegador y realiza funciones tales como reconocerte cuando vuelves a nuestra web o ayudar a nuestro equipo a comprender qué secciones de la web encuentras más interesantes y útiles.